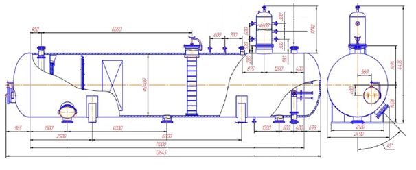
Отстойники, тип ОГ
Отстойники ОГ, применяются на нефтегазодобывающих и перерабатывающих предприятиях для очистки пластовой воды от нефти, газа, механических примесей и капельной влаги.
В отстойниках ОГ разделение нефти и воды происходит за счет разности их удельного веса. Водонефтяная эмульсия через входной штуцер поступает перфорированные коллекторы. Выходящая через отверстия тонкими струйками водонефтяная эмульсия поступает под слой пластовой воды. Капельки воды, содержащиеся в эмульсии, контактируют с пластовой водой, имеющейся в аппарате, укрупняются и оседают вниз. Нефть, имеющая меньший удельный вес всплывает вверх. Также из обводненной нефти выделяется часть газа, находящегося в ней как в свободном, так и в растворенном состоянии. Отделившийся газ через штуцер сбрасывается в сборную сеть. Скопившаяся в верхней части отстойника обезвоженная нефть поступает в нефтесборник и через штуцер выводится из аппарата. Отделившаяся от нефти пластовая вода через переливное устройство сбрасывается в систему подготовки промысловых сточных вод. Для определения уровня раздела фаз отстойники оборудуются уровнемером. Межфазный уровень в отстойнике нефти поддерживается с помощью регулирующего клапана путём изменения количества сбрасываемой воды. Для отбора проб жидкости с разных уровней отстойник оборудуется поворотным пробоотборником.
Предприятие производит отстойники номинальным диаметром от 25 до 200 м³.
